Jiangsu Xingtai Hydraulic Manufacturing Co., Ltd. fue fundada en 1992 y está ubicada en la ciudad de Taizhou, provincia de Jiangsu, China. La empresa se especializa en la fabricación de máquinas hidráulicas para prensado de cables de acero, máquinas de recocido y conformado cónico de cables de acero, manguitos de aluminio y pinzas de elevación.
Los componentes de prensado de las máquinas de Xingtai Hydraulic están forjados con acero aleado de alta resistencia. El cuerpo de la máquina se fabrica a partir de un solo bloque de material, lo que garantiza integridad estructural y una larga vida útil.
Nuestros sistemas hidráulicos utilizan un sistema de suministro de aceite con bomba de doble presión, que permite movimientos rápidos ascendentes y descendentes, al tiempo que garantiza un proceso de prensado suave y estable. Este diseño mejora significativamente la calidad del prensado y la eficiencia de producción.
Las máquinas de Xingtai Hydraulic han sido exportadas a numerosos países, incluidos Reino Unido, Australia, Países Bajos, Letonia, Malasia, Tailandia, India, Rusia, Botsuana y Polonia, entre otros.
Guiados por la filosofía de “alta calidad, precio competitivo y compromiso duradero”, nos esforzamos por satisfacer las necesidades de nuestros clientes y ofrecerles el mejor servicio. Seguimos dedicados a servir tanto a clientes actuales como nuevos con el mismo nivel de excelencia mientras trabajamos juntos para construir un futuro exitoso.
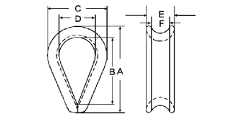
| Tamaño (mm) | Dimensiones(mm) | Peso/PC(kg) | |||||
| A | B | c | D | E | F | ||
| 3 | 28 | 19 | 18.5 | 12 | 6 | 3 | 0.5 |
| 4 | 30 | 21 | 20.5 | 13 | 7 | 4 | 0.8 |
| 5 | 33 | 23 | 22.5 | 14 | 8 | 5 | 1 |
| 6 | 39 | 26 | 27 | 16 | 10 | 6 | 1.6 |
| 7 | 43 | 30 | 30 | 18 | 11 | 7 | 1.9 |
| 8 | 48 | 32 | 33 | 20 | 12 | 8 | 3 |
| 10 | 58 | 38 | 39 | 24 | 14 | 10 | 4.7 |
| 12 | 69 | 45 | 47 | 28 | 17 | 12 | 6.8 |
| 13 | 73 | 48 | 50 | 30 | 18 | 13 | 8 |
| 14 | 77 | 51 | 53 | 32 | 19 | 14 | 10 |
| 16 | 88 | 58 | 60 | 36 | 22 | 16 | 14.5 |
| 17 | 95 | 61 | 65 | 38 | 25 | 17 | 18 |
| 18 | 100 | 64 | 68 | 40 | 26 | 18 | 20 |
| 20 | 113 | 72 | 75 | 45 | 28 | 20 | 29 |
| 22 | 123 | 80 | 82 | 50 | 30 | 22 | 32 |
| 24 | 135 | 90 | 92 | 56 | 34 | 24 | 47 |
| 26 | 145 | 99 | 100 | 62 | 36 | 26 | 59 |
| 28 | 162 | 112 | 110 | 70 | 38 | 28 | 80 |
| 30 | 175 | 120 | 120 | 75 | 42 | 30 | 110 |

Los dedales de cable de acero son accesorios pequeños y duraderos diseñados para reforzar los ojos (bucles) de los cables de acero, evitando el desgaste, las torceduras y las fallas prematuras en los puntos de conexión. Fabricados con materiales resistentes a la corrosión como acero galvanizado, acero inoxidable o aluminio, se adaptan a entornos interiores, exteriores, marinos e industriales.
Funciones principales
Prevenir el desgaste: crean una superficie interior lisa y rígida para el ojo de la cuerda, evitando la fricción directa entre la cuerda y los herrajes (p. ej., grilletes, ganchos) que provoca deshilachado.
Mantenga la integridad de la cuerda: al preservar la forma natural de la cuerda, los dedales dejan de doblarse o aplastarse —problemas comunes que debilitan la resistencia de la cuerda con el tiempo.
Aumentan la seguridad de la carga: distribuyen la tensión de manera uniforme a lo largo del ojo, lo que garantiza que la cuerda maneje las cargas nominales sin concentración de tensiones en los puntos de conexión.
Características y aplicaciones clave
Opciones de material: acero galvanizado para uso general, acero inoxidable para entornos de agua salada/húmeda y aluminio para necesidades livianas.
Coincidencia de tamaños: disponible en tamaños (por ejemplo, 1/8” a 1”) para adaptarse a diámetros específicos de cable de acero —siempre empareje con el tamaño correcto para un rendimiento óptimo.
Usos comunes: Ideal para equipos de elevación, aparejos marinos, construcción, agricultura y proyectos de bricolaje (por ejemplo, asegurar muelles de barcos, colgar accesorios pesados).
Fáciles de instalar con clips o estrías para cables metálicos, estos dedales prolongan la vida útil de los cables y reducen los riesgos de seguridad, lo que los convierte en una adición rentable a cualquier configuración de cables metálicos.
English
русский
Français
Español
Português
Deutsch
عربى
Türk




