Jiangsu Xingtai Hydraulic Manufacturing Co., Ltd. fue fundada en 1992 y está ubicada en la ciudad de Taizhou, provincia de Jiangsu, China. La empresa se especializa en la fabricación de máquinas hidráulicas para prensado de cables de acero, máquinas de recocido y conformado cónico de cables de acero, manguitos de aluminio y pinzas de elevación.
Los componentes de prensado de las máquinas de Xingtai Hydraulic están forjados con acero aleado de alta resistencia. El cuerpo de la máquina se fabrica a partir de un solo bloque de material, lo que garantiza integridad estructural y una larga vida útil.
Nuestros sistemas hidráulicos utilizan un sistema de suministro de aceite con bomba de doble presión, que permite movimientos rápidos ascendentes y descendentes, al tiempo que garantiza un proceso de prensado suave y estable. Este diseño mejora significativamente la calidad del prensado y la eficiencia de producción.
Las máquinas de Xingtai Hydraulic han sido exportadas a numerosos países, incluidos Reino Unido, Australia, Países Bajos, Letonia, Malasia, Tailandia, India, Rusia, Botsuana y Polonia, entre otros.
Guiados por la filosofía de “alta calidad, precio competitivo y compromiso duradero”, nos esforzamos por satisfacer las necesidades de nuestros clientes y ofrecerles el mejor servicio. Seguimos dedicados a servir tanto a clientes actuales como nuevos con el mismo nivel de excelencia mientras trabajamos juntos para construir un futuro exitoso.
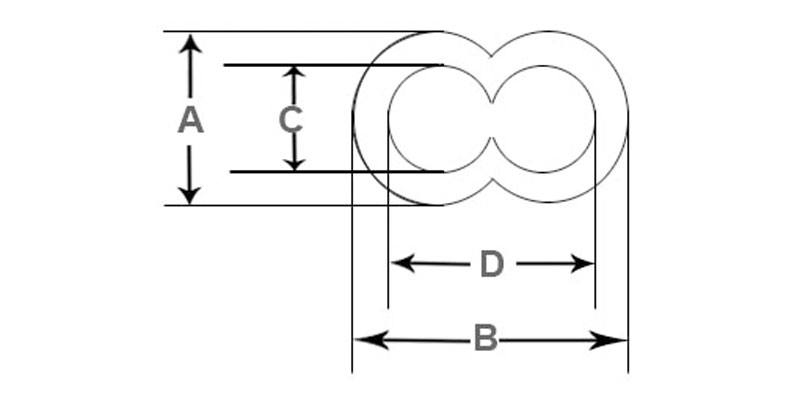
| Modo | Diámetro del cable de acero (mm) | Dimensiones de la funda de aluminio (mm) | Longitud (mm) | Peso (g/pc) | |||
| A | B | C | D | ||||
| XTH-1/16" | 1.6 | 4.37 | 6.35 | 1.96 | 4 | 9.6 | 0.41 |
| XTH-5/64" | 2 | 5.56 | 7.95 | 2.39 | 4.8 | 9.6 | 0.73 |
| XTH-3/32" | 2.4 | 7.06 | 10.26 | 3.3 | 6.5 | 12.7 | 1.45 |
| XTH-1/8" | 3.2 | 8.71 | 12.7 | 3.96 | 7.9 | 15.9 | 2.9 |
| XTH-5/32" | 4 | 9.53 | 14.3 | 4.75 | 9.5 | 17.5 | 3.63 |
| XTH-3/16" | 5.1 | 11.2 | 16.9 | 5.66 | 11.4 | 25.4 | 7.17 |
| XTH-7/32" | 5.6 | 12.7 | 19.1 | 6.35 | 12.7 | 27 | 10.07 |
| XTH-1/4" | 6.4 | 13.61 | 20.8 | 7.37 | 14.6 | 28.6 | 11.43 |
| XTH-9/32" | 7.1 | 14.27 | 22.35 | 7.92 | 16 | 30.2 | 12.81 |
| XTH-5/16" | 8 | 17.45 | 26.19 | 9.53 | 18.3 | 31.7 | 20.41 |
| XTH-3/8" | 9.6 | 19.05 | 29.36 | 11.13 | 21.4 | 36.5 | 29.53 |
| XTH-7/16" | 11.1 | 23.8 | 36.5 | 17.7 | 25.4 | 42.8 | 53.53 |
El manguito de reloj de arena de aluminio es un accesorio de cable de acero diseñado con precisión, también llamado casquillos de reloj de arena, elaborado a partir de aluminio sin costura mediante extrusión y mecanizado para un rendimiento confiable. Su distintiva forma de reloj de arena le valió el nombre, optimizada para engarzar a mano con herramientas mecánicas —sin necesidad de prensas hidráulicas—, lo que hace que la instalación sea rápida y accesible.
Diseñado para aluminio, acero de alta resistencia/suave o cable galvanizado (evite el emparejamiento con acero inoxidable; utilice manguitos de cobre galvanizados en su lugar), cada tamaño coincide con diámetros de cable específicos para un ajuste perfecto. Cuando se estampa correctamente con un dedal (para distribuir la fuerza de manera uniforme y reducir el desgaste del cable), ofrece una eficiencia de terminación del 90%, creando una conexión permanente y segura.
Anodizado para resistir la corrosión, prospera en entornos marinos, agrícolas, de construcción y de aparejos escénicos —incluso con exposición al agua salada. Su construcción de aluminio liviano pero resistente mantiene los conjuntos de perfil bajo, evitando la obstrucción de cabrestantes o poleas.
Hay tamaños personalizados disponibles y cumple con los estándares ISO 9001 y CE. Para mayor seguridad, siga las pautas de estampación del fabricante y verifíquelas con un manómetro Go/No Go, especialmente para levantamientos críticos. Una opción duradera y rentable para empalmar y terminar cables de acero.
English
русский
Français
Español
Português
Deutsch
عربى
Türk




